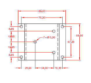
• DRAWING: 987-5007-001-holeplacement.png