• DATA SHEET: ScreenShot2021-01-18at3.37.39PM00.png
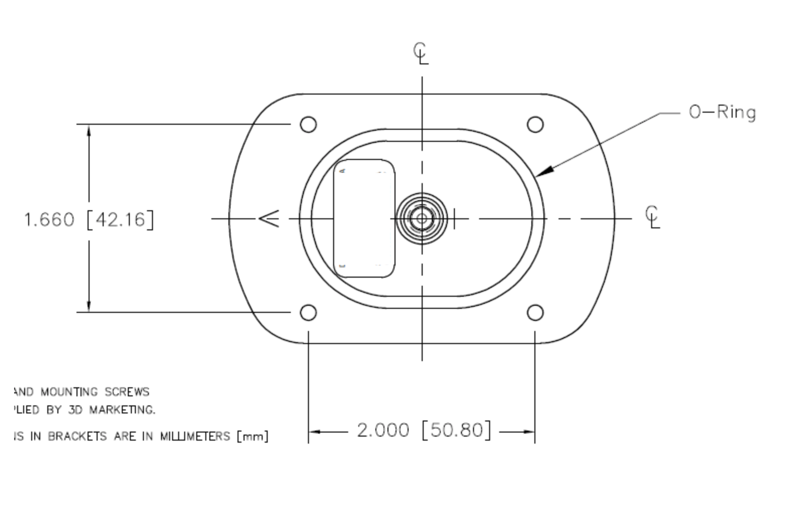
  • DRAWING: SN-013-1981-020REV.A.pdf
  • SPECIFICATIONS